Modern Rodding Tech
InTheGarageMedia.com
Jason Scudellari of HB Hot Rod attaches a TREMEC TKX five-speed transmission to a small-block Chevy
1. Jason Scudellari of HB Hot Rod attaches a TREMEC TKX five-speed transmission to a small-block Chevy. The combination will propel a Model A highboy roadster.
Stick it to It
What You Need to Know About Installing a TREMEC TKX
By Ron Ceridono Photography by Jason Scudellari
T

o paraphrase Eli Wallach’s character, Tuco Benedicto Pacífico Juan María Ramírez, in the movie The Good, the Bad, and the Ugly, two types of hot rodders exist in this world: those who love shifting gears and those who don’t. For those who do, TREMEC offers a variety of options, including the exceptional TKX five-speed transmission and Summit Racing Equipment has everything you need for the installation. Recently, we hung out with Jason Scudellari of HB Hot Rod to demonstrate how it’s done.

TREMEC offers the TKX five-speed manual transmission for GM and Ford applications (the difference is in the length of the input shaft). The slimmest five-speed on the market, the TKX will fit most transmission tunnels without floor modifications, and three locations are available to optimize the shifter location. From a strength standpoint, the TKX is rated as 600 lb-ft of torque, can handle engine speeds of 8,000 rpm, and shifts at 7,500 rpm. All gears and shafts are made from special grade steel (ASTM 4615), and smooth shifting is due to the multi-cone synchronizers with hybrid synchronizer rings made of sintered bronze and carbon. The input shaft diameter is 1.125 with 26 splines; the output shaft has 31 splines and accepts a GM slip yoke.

chart with combinations of engine and rear gears
The TREMEC TKX shown is the GM version, which will bolt up to any standard BorgWarner/Muncie bellhousing. In our case, we used a Lakewood aluminum bellhousing available from Summit (PN LAK-LK4200K). This bellhousing is compatible with an 11-inch- or smaller-diameter clutch.

Whenever a bellhousing is installed, it’s always a good idea to check the centerline alignment with the crankshaft using a dial indicator. A misaligned bellhousing can cause difficult shifting and premature transmission wear. In this case, the bellhousing bolted on with the alignment well within specs.

Scudellari ordered Summit’s clutch, flywheel, and mounting hardware Pro Pack (PN CMB 13-0000) for the additional components needed for the transmission installation. It came with a RAM billet steel flywheel for two-piece rear main seal engines (flywheels for one-piece seals and LS applications are available). Also included were a RAM 11-inch clutch disc and a diaphragm-style pressure plate for good clamping capacity without excessive pedal pressure, a hydraulic throwout bearing kit, attaching hardware, and even a clutch disc alignment tool.

diagram of raw clutches
The RAM hydraulic throwout bearing included in the Summit kit has several advantages over a mechanical system. First and foremost, hydraulics provide a softer-feeling pedal; in addition, the movement is more consistent, providing smoother clutch engagement, and, finally, there are fewer moving parts.

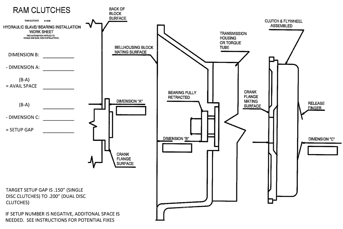
Installing a RAM hydraulic throwout bearing requires measurements to ensure clearance between the bearing and pressure plate fingers when the clutch is released. Also, there must be sufficient travel to allow the throwout bearing to release the clutch when the pedal is depressed completely. Although taking these measurements seems complicated, RAM provides the worksheet (left) to make it easy; just filling in the blanks and doing some simple math is what’s required.

For gearheads, a few things provide the pure joy that driving a hot rod and going through the gears of a TREMEC TKX five-speed transmission can provide. The gear ratio spread offers impressive performance from a standing start and up through the gears with overdrive ratios that provide comfortable cruising at highway speeds. TREMEC’s rail shifting system provides short-throw and precise gear changes, and the ribbed, three-piece aluminum housing reduces noise and vibration. All things considered we’re willing to bet the TKX would be Tuco approved.

Summit’s Pro Pack installation kit laid out on a table
2. To accompany the TREMEC trans, Scudellari ordered Summit’s Pro Pack installation kit, which included a RAM clutch kit with a diaphragm pressure plate, 11-inch, 26-spline friction disc, flywheel, hydraulic throwout bearing, and fasteners.
Summit billet steel flywheel being installed in the crankshaft
3. The Summit billet steel flywheel is the large-diameter version with a 168-tooth flywheel (the small-diameter flywheel has 153 teeth). A pilot bushing must be installed in the crankshaft to support the transmission’s input shaft.
dial indicator ensuring the hole in the bellhousing that locates the transmission is properly aligned
4. A dial indicator ensures the hole in the bellhousing that locates the transmission is properly aligned; it should be less than 0.005 inch; in this case, it was 0.0025 inch.
close up of dowel pins
5. In cases where bellhousing misalignment exceeds 0.005 inch, Lakewood offers offset dowel pins to move the bellhousing on the block.
stock front bearing retainer being removed
6. To accommodate the hydraulic throwout bearing, the stock front bearing retainer is removed.
close up of Summit’s new bearing retainer
7. Summit’s new bearing retainer includes a new seal and shims to adjust the front bearing’s preload.
thread-locking compound being applied to bolts
8. It is recommended that thread-locking compound be used on the bolts during installation of the new front bearing retainer.
two AN fittings, one for pressure and the other for bleeding air from the system
9. The hydraulic throwout bearing has two AN fittings, one for pressure and the other for bleeding air from the system.
close up of an alignment stud used to properly locate and maintain the position of the throwout bearing
10. The new bearing retainer includes an alignment stud to properly locate and maintain the position of the throwout bearing.
throwout bearing properly positioned
11. When the throwout bearing is properly positioned, the lines will exit the bellhousing on the driver side; the bleed line is at the top and the supply line is at the bottom.
RAM friction disc being held in place with an alignment tool
12. The RAM friction disc is held in place with an alignment tool during installation. The hub with the springs must face the transmission.
RAM pressure plate being installed by tightening it in a circular pattern and torquing to the recommended specs
13. After the alignment tool properly locates the disc, the RAM pressure plate is installed by tightening it in a circular pattern and torquing to the recommended specs.
the distance between the fingers and the trans-mounting surface being measured at 3.559 inches
14. When the clutch is released, there must be clearance between the throwout bearing and the clutch fingers. Here, the distance between the fingers and the trans-mounting surface is measured at 3.559 inches.
close up of shims from the Summit Pro Pak clutch kit on a mat
15. The Summit Pro Pak clutch kit includes shims to adjust throwout bearing clearance, which is typically 0.150 to 0.200 inch.
person checking the Initial measurement of the throwout bearing
16. Initial measurement of the throwout bearing indicated there was way too much clearance between it and the pressure plate fingers, which could keep the clutch from releasing completely.
combination of shims added to the bearing retainer
17. A combination of shims was added to the bearing retainer to reduce the clearance between the throwout bearing and the clutch fingers.
throwout bearing distance being checked
18. With the shims installed, the throwout bearing distance was checked once more; it was 3.407 inches.
workbench math showing the throwout bearing clearance as 0.152 inch
19. Some workbench math revealed that the throwout bearing clearance was 0.152 inch, which is in the recommended range.
close up of the throwout bearing
20. The throwout bearing slips onto the bearing retainer; the previously installed alignment stud maintains its alignment.
complete TREMEC TKX installation
21. Here is the complete TREMEC TKX installation. Note the fluid lines for the hydraulic throwout bearing come out of the hole where the mechanical throwout bearing arm would be.
shifter in the rearmost position
22. The TREMEC TKX offers three shifter locations; here, it is in the rearmost position.
SOURCES
Modern Rodding
VOLUME 6 • ISSUE 56 • 2025